"加路力斯”三集一体恒温除湿热泵
发布日期:2014-05-16 访问次数:660
名称:三集一体恒温除湿热泵-calorex"加路力斯” 卧式室内泳池三集一体恒温除湿热泵
型号:卧式
三集一体室内泳池恒温除湿热泵产品特点:
经济节约:从空气中获取大量的能源,能效比高达300%-400%。根据使用规律设定三集一体热泵自动运行时间,费用自然节省。相比燃油、燃气锅炉,全年平均可节省70%的能源,加上电价的走低和燃料的上涨,运行费用低的有点日益突出。
使用范围广:可广泛应用于家庭、宾馆、酒店、学校、运动员训练馆、桑拿、水上娱乐休闲场所等。
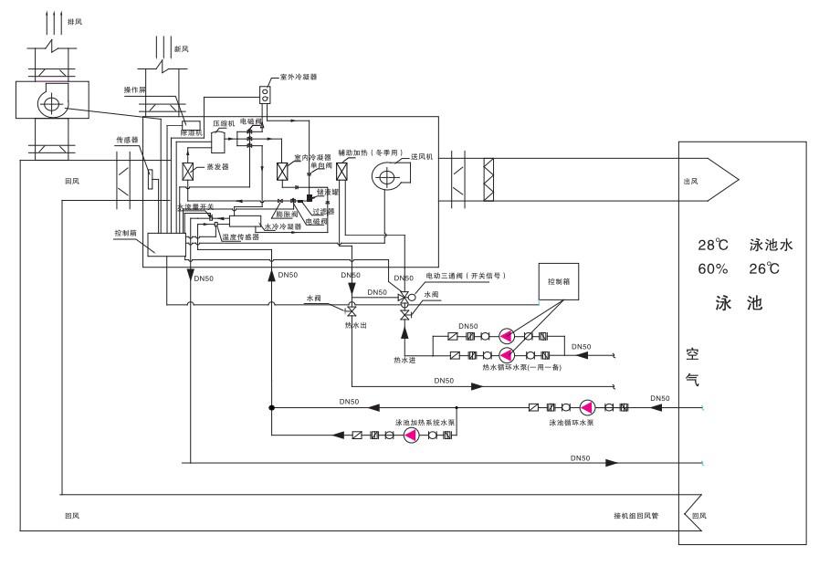
持久恒温:使用非常简单,整套热泵采用自动化智能控制系统,用户只需在初次使用时开启电源、在以后的使用过程中完全实现自动化运行,到达用户指定要求时自动停机,低于用户指定要求时系统自行开机运行,保持室内恒温恒湿。
安全运行,无需值守:与燃料锅炉相比,运行绝对安全,而且自动控制,无需人员值守,可节约人员成本。
使用寿命长:维护费用低,设备性能稳定,使用寿命可达15年以上。
环保:三集一体热泵无任何燃烧排放物,制冷剂选用了环保制冷剂,对臭氧层零污染,是较好的环保型产品。
除湿热泵利用干球和露点高效节能运行
.jpg)
.jpg)
.jpg)
.jpg)